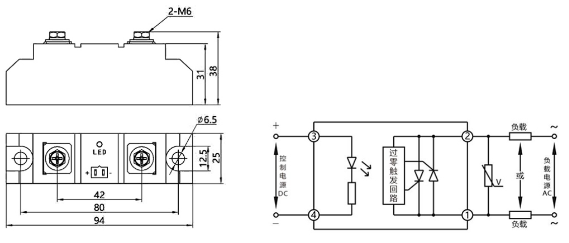
NNG1C-1/032F-120 무접점 계전기는 DC 입력 및 AC 출력 구성으로 설계된 산업용 계전기입니다. 최첨단 솔리드 스테이트 기술은 높은 신뢰성, 빠른 응답 시간 및 비접촉 스위칭을 보장하여 현대 산업 자동화 시스템의 필수 구성 요소입니다. 이 계전기는 내구성, 효율성 및 다양한 애플리케이션 요구 사항을 충족하는 능력으로 인해 광범위한 인기를 얻었습니다.
기본적으로 솔리드 스테이트 릴레이는 반도체 장치로 구동되는 비접촉 전자 스위치로 작동합니다. 제어 신호가 수신되면 릴레이는 광전자 절연을 통해 신호를 출력으로 전송합니다. 이 설계는 기계적 접촉을 제거하여 기존 전자기 계전기에서 흔히 볼 수 있는 마모 및 바운스와 같은 문제를 방지합니다.
그 결과 기존 계전기보다 서비스 수명이 훨씬 길고 응답 속도가 몇 배 더 빠른 계전기가 탄생했습니다. 이는 증가하는 산업 자동화 요구 사항을 충족하는 데 이상적입니다.
DC 입력 및 AC 출력의 다양성
NNG1C-1/032F-120은 DC 전압 입력과 AC 전압 출력을 수용하여 다양한 전원 공급 환경과의 호환성을 보장합니다. 넓은 전압 제어 범위는 다양한 제어 요구 사항에 원활하게 적응합니다.
에너지 효율적인 설계
에너지 효율성을 염두에 두고 제작된 이 계전기는 고속 응답 기능을 제공하면서 5~25mA만 소비합니다. 이는 성능 저하 없이 현대적인 지속 가능성 목표에 부합합니다.
우수한 절연성과 안전성
계전기 하우징은 견고한 절연 특성을 갖추고 있어 산업 및 주거 환경에서 안전하고 안정적인 작동을 보장합니다.
환경 조건에 대한 적응성
극한의 온도 조건에서 작동하도록 설계된 이 계전기는 다양한 기후에서 안정적인 작동을 제공하여 다양한 지역의 고객에게 서비스를 제공합니다.
그만큼 NNG1C-1/032F-120 솔리드 스테이트 릴레이 다목적이며 다음 분야에서 널리 사용됩니다.
신호등 및 깜박임 제어 시스템
조명 및 무대 장비
기기 및 미터
의료기기
복사기와 같은 사무용품
자동세탁기
화재 및 보안 시스템
역률 보상을 위한 전력망 시스템
이 계전기는 첨단 기술, 에너지 효율성 및 강력한 성능을 결합하여 산업 자동화 및 소비자 애플리케이션의 요구 사항을 충족합니다. 안정적인 작동, 향상된 안전 기능, 까다로운 환경에 대한 적응성을 갖춘 이 제품은 광범위한 산업 분야에 이상적인 선택입니다.
NNG1C-1/032F-120 무접점 계전기는 DC 입력 및 AC 출력 구성으로 설계된 산업용 계전기입니다. 최첨단 솔리드 스테이트 기술은 높은 신뢰성, 빠른 응답 시간 및 비접촉 스위칭을 보장하여 현대 산업 자동화 시스템의 필수 구성 요소입니다. 이 계전기는 내구성, 효율성 및 다양한 애플리케이션 요구 사항을 충족하는 능력으로 인해 광범위한 인기를 얻었습니다.
기본적으로 솔리드 스테이트 릴레이는 반도체 장치로 구동되는 비접촉 전자 스위치로 작동합니다. 제어 신호가 수신되면 릴레이는 광전자 절연을 통해 신호를 출력으로 전송합니다. 이 설계는 기계적 접촉을 제거하여 기존 전자기 계전기에서 흔히 볼 수 있는 마모 및 바운스와 같은 문제를 방지합니다.
그 결과 기존 계전기보다 서비스 수명이 훨씬 길고 응답 속도가 몇 배 더 빠른 계전기가 탄생했습니다. 이는 증가하는 산업 자동화 요구 사항을 충족하는 데 이상적입니다.
DC 입력 및 AC 출력의 다양성
NNG1C-1/032F-120은 DC 전압 입력과 AC 전압 출력을 수용하여 다양한 전원 공급 환경과의 호환성을 보장합니다. 넓은 전압 제어 범위는 다양한 제어 요구 사항에 원활하게 적응합니다.
에너지 효율적인 설계
에너지 효율성을 염두에 두고 제작된 이 계전기는 고속 응답 기능을 제공하면서 5~25mA만 소비합니다. 이는 성능 저하 없이 현대적인 지속 가능성 목표에 부합합니다.
우수한 절연성과 안전성
계전기 하우징은 견고한 절연 특성을 갖추고 있어 산업 및 주거 환경에서 안전하고 안정적인 작동을 보장합니다.
환경 조건에 대한 적응성
극한의 온도 조건에서 작동하도록 설계된 이 계전기는 다양한 기후에서 안정적인 작동을 제공하여 다양한 지역의 고객에게 서비스를 제공합니다.
그만큼 NNG1C-1/032F-120 솔리드 스테이트 릴레이 다목적이며 다음 분야에서 널리 사용됩니다.
신호등 및 깜박임 제어 시스템
조명 및 무대 장비
기기 및 미터
의료기기
복사기와 같은 사무용품
자동세탁기
화재 및 보안 시스템
역률 보상을 위한 전력망 시스템
이 계전기는 첨단 기술, 에너지 효율성 및 강력한 성능을 결합하여 산업 자동화 및 소비자 애플리케이션의 요구 사항을 충족합니다. 안정적인 작동, 향상된 안전 기능, 까다로운 환경에 대한 적응성을 갖춘 이 제품은 광범위한 산업 분야에 이상적인 선택입니다.