마이크로 스위치 NL
CLION
| 가용성 상태: | |
|---|---|
| 수량: | |
NL-5W 마이크로 스위치는 다양한 요구 사항을 충족하기 위해 다양한 기능을 통합한 다용도의 안정적인 스위치입니다.원리, 특징, 응용을 살펴보겠습니다.
NL 마이크로 스위치의 작동 원리는 내부 접점 구조와 스프링 메커니즘을 기반으로 합니다.마이크로 스위치는 일반적으로 고정 접점과 이동식 접점으로 구성됩니다.
마이크로 스위치의 작동 원리는 마이크로 스위치에 가해지는 외부 힘에 의해 제어되는 개방 상태와 폐쇄 상태 사이의 전환을 기반으로 합니다.이를 통해 마이크로 스위치는 다양한 애플리케이션에서 작동하여 제어, 감지 및 회로 보호 기능을 제공할 수 있습니다.
NL-5W 마이크로 스위치는 다양한 요구 사항을 충족하기 위해 다양한 기능을 통합한 다용도의 안정적인 스위치입니다.원리, 특징, 응용을 살펴보겠습니다.
NL-5W 마이크로 스위치는 인장 스프링 구조로 제작되어 안정적이고 신뢰할 수 있는 접촉력을 보장합니다.이 설계를 통해 일관되고 정밀한 스위칭 작동이 가능하므로 정확한 제어가 필요한 애플리케이션에 적합합니다.
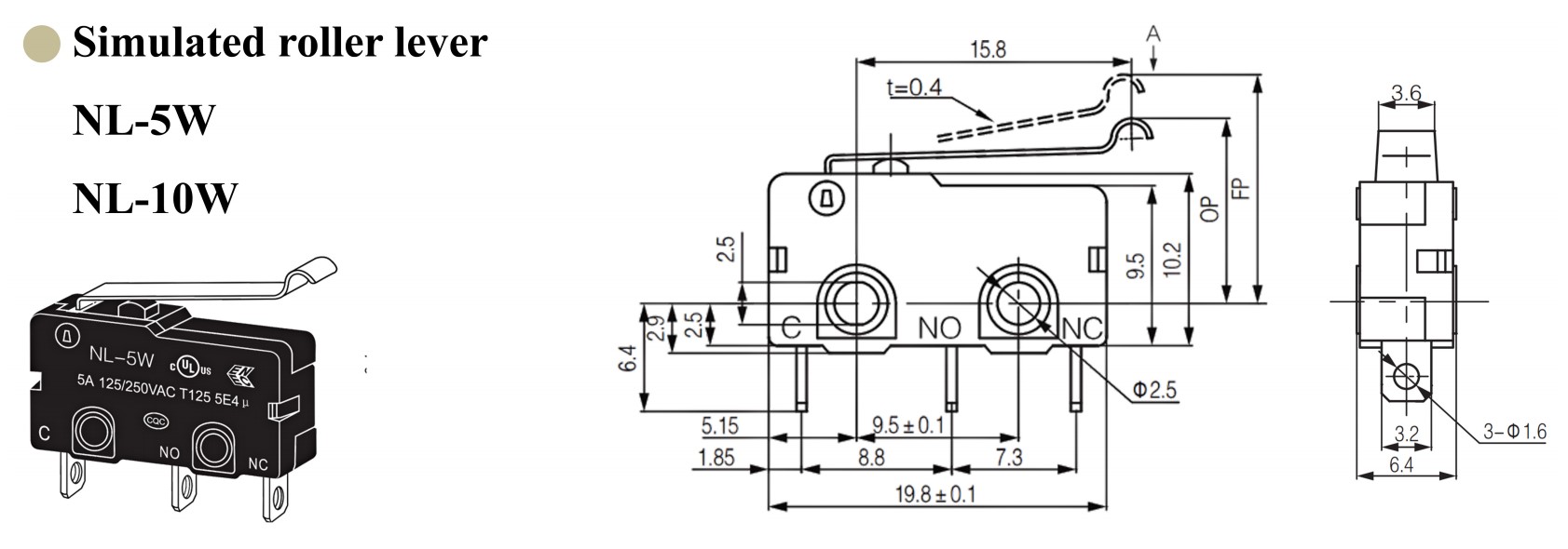
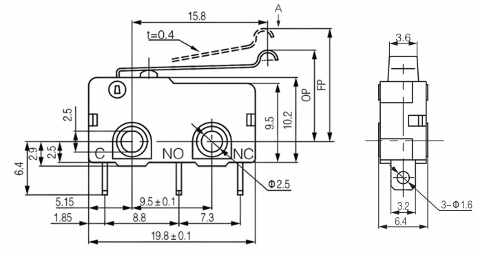
시뮬레이션된 롤러 레버가 장착된 NL-5W 마이크로 스위치는 향상된 제어력과 정확성을 제공합니다.롤러 레버 설계를 통해 부드럽고 정밀한 작동이 가능하므로 정밀한 위치 지정 또는 제어가 필요한 응용 분야에 이상적입니다.
NL-5W 마이크로 스위치는 빠른 동작 기능을 제공하여 빠르고 효율적인 전환이 가능합니다.작동 속도가 빠르므로 비상 정지 버튼이나 안전 스위치와 같이 빠른 응답 시간이 필요한 애플리케이션에 적합합니다.
작동 이동 거리가 작은 NL-5W 마이크로 스위치는 공간이 제한된 응용 분야에서 효과적으로 작동하도록 설계되었습니다.공간이 제한된 소형 전자 장치나 시스템에 쉽게 통합될 수 있습니다.
NL-5W 마이크로 스위치의 주목할만한 특징 중 하나는 긴 수명입니다.고품질 소재와 부품으로 제작되어 내구성과 신뢰성을 보장합니다.따라서 산업 기계나 장비와 같이 장기간 성능이 필요한 애플리케이션에 적합합니다.
NL-5W 마이크로 스위치는 다양한 산업 및 분야에서 응용됩니다.자동화 시스템, 로봇 공학, 가전 제품, 자동차 시스템 등에 일반적으로 사용됩니다.다재다능함과 신뢰성 덕분에 정확하고 효율적인 스위칭이 필요한 광범위한 애플리케이션에 이상적인 선택입니다.
요약하면 NL-5W 마이크로 스위치는 인장 스프링 구조, 시뮬레이션된 롤러 레버, 빠른 동작, 작은 작동 이동 및 긴 수명을 제공합니다.이러한 기능을 통해 안정적이고 정밀한 스위칭 성능을 제공합니다.응용 분야는 자동화, 로봇 공학, 가전 제품, 자동차 시스템 등 다양한 산업에 걸쳐 있으므로 다양한 응용 분야에 대해 다재다능하고 내구성이 뛰어난 선택입니다.
NL-5W 마이크로 스위치는 다양한 요구 사항을 충족하기 위해 다양한 기능을 통합한 다용도의 안정적인 스위치입니다.원리, 특징, 응용을 살펴보겠습니다.
NL 마이크로 스위치의 작동 원리는 내부 접점 구조와 스프링 메커니즘을 기반으로 합니다.마이크로 스위치는 일반적으로 고정 접점과 이동식 접점으로 구성됩니다.
마이크로 스위치의 작동 원리는 마이크로 스위치에 가해지는 외부 힘에 의해 제어되는 개방 상태와 폐쇄 상태 사이의 전환을 기반으로 합니다.이를 통해 마이크로 스위치는 다양한 애플리케이션에서 작동하여 제어, 감지 및 회로 보호 기능을 제공할 수 있습니다.
NL-5W 마이크로 스위치는 다양한 요구 사항을 충족하기 위해 다양한 기능을 통합한 다용도의 안정적인 스위치입니다.원리, 특징, 응용을 살펴보겠습니다.
NL-5W 마이크로 스위치는 인장 스프링 구조로 제작되어 안정적이고 신뢰할 수 있는 접촉력을 보장합니다.이 설계를 통해 일관되고 정밀한 스위칭 작동이 가능하므로 정확한 제어가 필요한 애플리케이션에 적합합니다.
시뮬레이션된 롤러 레버가 장착된 NL-5W 마이크로 스위치는 향상된 제어력과 정확성을 제공합니다.롤러 레버 설계를 통해 부드럽고 정밀한 작동이 가능하므로 정밀한 위치 지정 또는 제어가 필요한 응용 분야에 이상적입니다.
NL-5W 마이크로 스위치는 빠른 동작 기능을 제공하여 빠르고 효율적인 전환이 가능합니다.작동 속도가 빠르므로 비상 정지 버튼이나 안전 스위치와 같이 빠른 응답 시간이 필요한 애플리케이션에 적합합니다.
작동 이동 거리가 작은 NL-5W 마이크로 스위치는 공간이 제한된 응용 분야에서 효과적으로 작동하도록 설계되었습니다.공간이 제한된 소형 전자 장치나 시스템에 쉽게 통합될 수 있습니다.
NL-5W 마이크로 스위치의 주목할만한 특징 중 하나는 긴 수명입니다.고품질 소재와 부품으로 제작되어 내구성과 신뢰성을 보장합니다.따라서 산업 기계나 장비와 같이 장기간 성능이 필요한 애플리케이션에 적합합니다.
NL-5W 마이크로 스위치는 다양한 산업 및 분야에서 응용됩니다.자동화 시스템, 로봇 공학, 가전 제품, 자동차 시스템 등에 일반적으로 사용됩니다.다재다능함과 신뢰성 덕분에 정확하고 효율적인 스위칭이 필요한 광범위한 애플리케이션에 이상적인 선택입니다.
요약하면 NL-5W 마이크로 스위치는 인장 스프링 구조, 시뮬레이션된 롤러 레버, 빠른 동작, 작은 작동 이동 및 긴 수명을 제공합니다.이러한 기능을 통해 안정적이고 정밀한 스위칭 성능을 제공합니다.응용 분야는 자동화, 로봇 공학, 가전 제품, 자동차 시스템 등 다양한 산업에 걸쳐 있으므로 다양한 응용 분야에 대해 다재다능하고 내구성이 뛰어난 선택입니다.